The chains used in the cement industry are mainly conveyor chains, which are used for scraper reclaimers, FU zipper machines, plate feeders, bucket elevators, clinker conveyors and other equipment. Chains are the core components of these conveyor equipment and are used for transportation Limestone, slag, clinker and other materials.
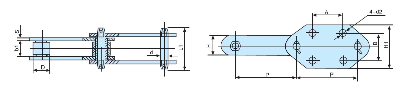
| Select | No. | Pitch | Inner section width | Roller outer diameter | Pin diameter | Pin length | Chain plate width | Chain thickness | Wide chain plate | Screw hole diameter | Hopper installation size | Inquiry |
|---|---|---|---|---|---|---|---|---|---|---|---|---|
| P | b1 | D | d | S | H | S | H1 | d2 | A x B | |||
| NE15 | 101.6 | 25 | 27 | 11.5 | 68 | 35 | 6 | h=24 | 12 | 40x88 | ||
| NE30 | 152.4 | 36.5 | 36 | 15.5 | 90 | 50 | 8 | h=38 | 14 | 60x120 | ||
| NE50 | 152.4 | 36.5 | 36 | 15.5 | 90 | 50 | 8 | 110 | 14 | 75x70 | ||
| NE100 | 200 | 51.8 | 44.5 | 19.1 | 120 | 60 | 10 | 125 | 18 | 100x80 | ||
| NE150 | 200 | 51.8 | 44.5 | 19.1 | 120 | 60 | 10 | 125 | 18 | 100x80 | ||
| NE150 强 | 200 | 57.6 | 48.5 | 22.2 | 126 | 75 | 10 | 125 | 18 | 100x80 | ||
| NE200 | 250 | 67.4 | 63.5 | 31.75 | 146 | 90 | 12 | 150 | 18 | 140x100 | ||
| NE300 | 250 | 67.4 | 63.5 | 31.75 | 146 | 90 | 12 | 150 | 18 | 140x100 | ||
| NE30 0 强 | 250 | 75 | 70 | 35 | 170 | 100 | 16 | 150 | 18 | 140x100 | ||
| NE400 | 300 | 75 | 70 | 35 | 170 | 100 | 16 | 180 | 22 | 170x120 | ||
| NE500 | 300 | 82.5 | 75 | 38.5 | 177.5 | 115 | 16 | 180 | 22 | 170x120 | ||