EFG BEARINGS (XIAMEN) CO., LTD.
>>
<<
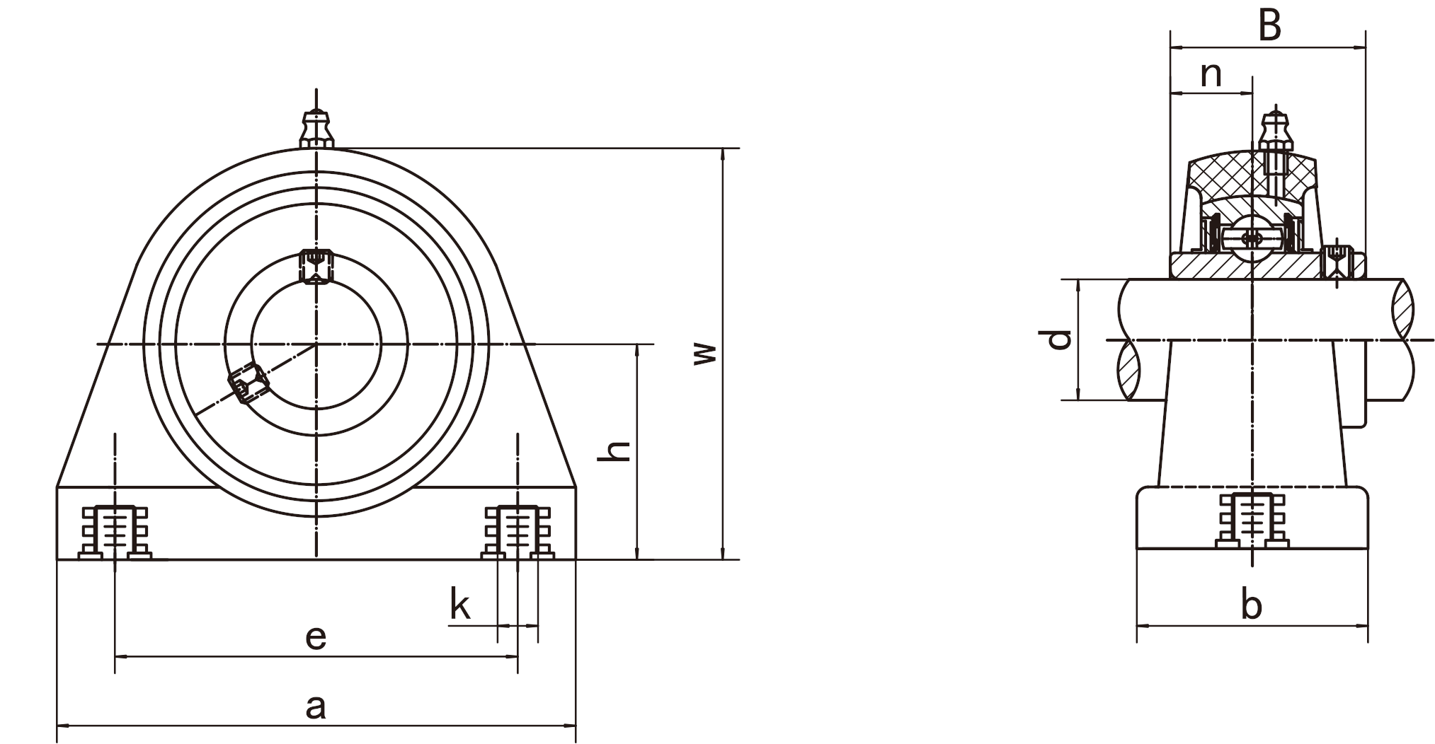
SelectUnit No.Dimensions mm/inTorqueBearing No.Housing No.WeightInquiry
daebhwkBnBolt DNmkg
SS-UCTBPL204 20 72.8 50.8 34.5 33.3 66.0 M8 31.0 12.7 M8 18 SS-UC204 TBPL204 0.35
SS-UCTBPL204 3/4 2-55/64 2 1-23/64 1-5/16 2-19/32 M8 1.221 0.500 M8 18 SS-UC204 TBPL204 0.35
SS-UCTBPL205 25 76.2 50.8 39.5 36.5 73.5 M10 34.1 14.3 M10 25 SS-UC205 TBPL205 0.40
SS-UCTBPL205 13/16 ; 7/8 ; 15/16 ; 1 3 2 1-9/16 1-7/16 2-57/64 M10 1.343 0.563 M10 25 SS-UC205 TBPL205 0.40
SS-UCTBPL206 30 101.0 76.2 42.5 42.9 84.0 M10 38.1 15.9 M10 30 SS-UC206 TBPL206 0.55
SS-UCTBPL206 1-1/16; 1-1/8; 1-3/16; 1-1/4 3-31/32 3 1-43/64 1-11/16 3-5/16 M10 1.500 0.626 M10 30 SS-UC206 TBPL206 0.55
SS-UCTBPL207 35 110.0 82.6 47.5 47.6 95.0 M10 42.9 17.5 M10 35 SS-UC207 TBPL207 0.80
SS-UCTBPL207 1-1/4 ; 1-5/16 ; 1-3/8 ; 1-7/16 4-21/64 3-1/4 1-7/8 1-7/8 3-47/64 M10 1.689 0.689 M10 35 SS-UC207 TBPL207 0.80
SS-UCTBPL208 40 120.0 88.9 4«.O 49.2 100.5 M12 49.2 19.0 M12 45 SS-UC208 TBPL208 0.95
SS-UCTBPL208 1-1/2; 1-9/16 4-23/32 3-1/2 1-57/64 1-15/16 3-61/64 M12 1.937 0.748 M12 45 SS-UC208 TBPL208 0.95
SS-UCTBPL209 45 124.0 95.3 50.0 54.0 108.5 M12 49.2 19.0 M12 50 SS-UC209 TBPL209 1.10
SS-UCTBPL209 1-5/8 ; 1-11/16 ; 1-3/4 4-7/8 3-3/4 1-31/32 2-1/8 4-9/32 M12 1.937 0.748 M12 50 SS-UC209 TBPL209 1.10
SS-UCTBPL210 50 135.0 101.6 54.0 57.2 115.0 M16 51.6 19.0 M16 55 SS-UC210 TBPL210 1.25
SS-UCTBPL210 1-13/16 ; 1-7/8 ; 1-15/16 ;2 5-5/16 4 2-1/8 2-1/4 4-17/32 M16 2.032 0.748 M16 55 SS-UC210 TBPL210 1.25
SS-UCTBPL211 55 140.0 104.0 66.0 63.5 125.0 M20 55.6 22.2 M20 60 SS-UC211 TBPL211 1.43
SS-UCTBPL211 2; 2-1/16; 2-1/8; 2-3/16 5-33/64 4-3/32 2-19/32 2-1/2 4-59/64 M20 2.189 0.874 M20 60 SS-UC211 TBPL211 1.43
SS-UCTBPL212 60 150.0 114.0 68.0 69.9 138.0 M20 65.1 25.4 M20 65 SS-UC212 TBPL212 1.58
SS-UCTBPL212 2-1/4 ; 2-5/16 ; 2-3/8 ; 2-7/16 5-29/32 4-31/64 2-43/64 2-3/4 5-7/16 M20 2.563 1.000 M20 65 SS-UC212 TBPL212 1.58

Request Quote