The outer ring material is made of high-hardness steel (hardness HRC: 58 or above), quenched, phosphated, polished (special needs, hard chrome plating on the inner arc surface of the outer ring), polished, the inner ring base is a high-strength copper alloy, and the ball table is inlaid In the process of use, the high-mesh graphite and MoS2 composite solid lubricant makes the fine particles of the solid lubricant spread across the entire contact surface through frictional heat, forming a lubricating film similar to the oil film, but with a long lubricating effect compared to the oil film. The lubricating material is not lost, and the lubricating object is less worn.
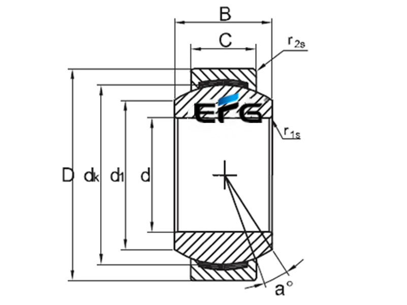
| Select | No. | Dimension(mm) | Load rating(kN) | Weight ≈kg | Stock | Inquiry | |||||||||
|---|---|---|---|---|---|---|---|---|---|---|---|---|---|---|---|
| d | D | B | C | dk | d1 | r1s (min) | r2s (min) | a° ≈ | Dynamic | Static | |||||
| GE4C | 4 | 12 | 5 | 3 | 6 | 6 | 0.3 | 0.3 | 16 | 2.1 | 5.4 | 0.003 | √ | ||
| GE5C | 5 | 14 | 6 | 4 | 10 | 8 | 0.3 | 0.3 | 13 | 3.6 | 9.1 | 0.004 | √ | ||
| GE6C | 6 | 14 | 6 | 4 | 10 | 8 | 0.3 | 0.3 | 13 | 3.6 | 9.1 | 0.005 | √ | ||
| GE8C | 8 | 16 | 8 | 5 | 13 | 10 | 0.3 | 0.3 | 15 | 5.8 | 14 | 0.008 | √ | ||
| GE10C | 10 | 19 | 9 | 6 | 16 | 13 | 0.3 | 0.3 | 12 | 8.6 | 21 | 0.011 | √ | ||
| GE12C | 12 | 22 | 10 | 7 | 18 | 15 | 0.3 | 0.3 | 10 | 11 | 28 | 0.015 | √ | ||
| GE15C | 15 | 26 | 12 | 9 | 22 | 18 | 0.3 | 0.3 | 8 | 18 | 45 | 0.027 | √ | ||
| GE17C | 17 | 30 | 14 | 10 | 25 | 20 | 0.3 | 0.3 | 10 | 22 | 56 | 0.041 | √ | ||
| GE20C | 20 | 35 | 16 | 12 | 29 | 24 | 0.3 | 0.3 | 9 | 31 | 78 | 0.066 | √ | ||
| GE25C | 25 | 42 | 20 | 16 | 35.5 | 29 | 0.6 | 0.6 | 7 | 51 | 127 | 0.119 | √ | ||
| GE30C | 30 | 47 | 22 | 18 | 40.7 | 34 | 0.6 | 0.6 | 6 | 65 | 166 | 0.153 | √ | ||